UPS de alta confiabilidad para proteger equipos eléctricos de operación critica. Con tecnología de control digital para garantizar la fiabilidad y estabilidad.
La tecnología de modulación de ancho de pulso Sinusoidal (SPWM), se usa para la doble conversión en línea. El tiempo de transferencia es cero. La salida de onda sinusoidal garantiza una potencia de alta calidad. El monitoreo en tiempo Real de sobrecarga y cortocircuito proporciona una protección confiable. Tiene un alto grado de redundancia de potencia y se puede utilizar normalmente en áreas con malas condiciones de energía eléctrica y es compatible con los generadores de emergencia tanto de Diésel, gasolina o de gas.
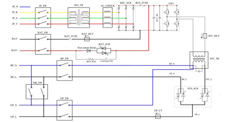
Con gusto modificamos nuestros equipos para aplicaciones especiales.
● Doble conversión en línea. La tecnología DSP garantiza una alta fiabilidad. ● Diseño de aislamiento galvánico para soportar todo tipo de cargas. ● Control diseñado para soportar todo tipo de cargas. ● Amplio voltaje de entrada y rango de frecuencia para soportar un entorno robusto. ● Alta capacidad de cortocircuito y sobrecarga. ● Gestión inteligente de la batería para prolongar el ciclo de vida de la batería. ● Funcionamiento paralelo con hasta 4 unidades (opcional).

| 
 Modelo  | 
 ONL-10K/33  | 
 ONL-15K/33  | 
 ONL-20K/33  | 
 ONL-30K/33  | 
 ONL-40K/33  | 
 ONL-60K/33  | 
 ONL-80K/33  | 
 ONL-100K/33  | 
 ONL-120K/33  | 
| 
 Fase  | 
 Entrada de 3 fases/salida de 3 fases  | 
||||||||
| 
 Capacidad  | 
 10KVA/8KW  | 
 15KVA/12KW  | 
 20KVA/16KW  | 
 30kVA/24kW  | 
 40KVA/32KW  | 
 60KVA/48KW  | 
 80KVA/64KW  | 
 100kVA/80kW  | 
 120kVA/96kW  | 
| 
 Entrada  | 
|||||||||
| 
 Voltaje Nominal  | 
 3 x 380VAC/400VAC (3Ph + N)  | 
||||||||
| 
 Rango de voltaje aceptable  | 
 285VAC ~ 475VAC  | 
||||||||
| 
 Frecuencia  | 
 50/60Hz ± 10%  | 
||||||||
| 
 Inversor  | 
|||||||||
| 
 Voltaje Nominal  | 
 3 x 380VAC/400VAC (3Ph + N)  | 
||||||||
| 
 Precisión  | 
 Estacionario: ± 1%; Transitorio: ± 5% (variaciones de carga 100-0-100%)  | 
||||||||
| 
 Frecuencia  | 
 50/60Hz sincronizado ± 1%; Con Red Eléctrica ausente ± 0,1Hz  | 
||||||||
| 
 Velocidad máxima de sincronización  | 
 ± 1 Hz/s  | 
||||||||
| 
 Forma de onda  | 
 Onda sinusoidal pura  | 
||||||||
| 
 Distorsión Armónica Total (THDv)  | 
 <2% (carga lineal);<5% (carga no lineal)  | 
||||||||
| 
 Desplazamiento de fase  | 
 120 ° ± 1% (carga equilibrada);120 ° ± 2% (desequilibrios 50% de la carga)  | 
||||||||
| 
 Tiempo de recuperación dinámica  | 
 3 ciclos al 90% del valor estático  | 
||||||||
| 
 Sobrecarga aceptable  | 
 110% para 10min; 150% para 60 seg; >160% para 200ms  | 
||||||||
| 
 Factor de cresta aceptable  | 
 3:1  | 
||||||||
| 
 Factor de potencia aceptable  | 
 0,6 ~ 1 (inductivo o capacitivo)  | 
||||||||
| 
 Tensión de salida de equilibrio @  | 
 <1%  | 
||||||||
| 
 Límite de corriente  | 
 Alta sobrecarga, cortocircuito: Límite de voltaje RMS  | 
||||||||
| 
 Corriente de Factor de cresta alto: Límite de voltaje máximo  | 
|||||||||
| 
 BYPASS estático  | 
|||||||||
| 
 Tipo  | 
 Estado sólido  | 
||||||||
| 
 Voltaje  | 
 3 x 380VAC/400VAC (3Ph + N)  | 
||||||||
| 
 Frecuencia  | 
 50/60Hz  | 
||||||||
| 
 Requisito de activación  | 
 Control de microprocesador  | 
||||||||
| 
 Tiempo de transferencia  | 
 Cero  | 
||||||||
| 
 Sobrecarga aceptable  | 
 150% para 1 hora; 180% para 30 segundos; >200% para 200ms  | 
||||||||
| 
 Transferencia a Bypass  | 
 Inmediato, para sobrecargas superiores al 160%  | 
||||||||
| 
 Retransferencia  | 
 Automático después de la alarma clara  | 
||||||||
| 
 BYPASS de mantenimiento  | 
|||||||||
| 
 Tipo  | 
 Sin interrupción  | 
||||||||
| 
 Voltaje  | 
 3x400V (3Ph + N)  | 
||||||||
| 
 Frecuencia  | 
 50/60Hz  | 
||||||||
| 
 Eficiencia general  | 
|||||||||
| 
 Modo de línea  | 
 90%  | 
 90%  | 
 91%  | 
 92%  | 
 93%  | 
||||
| 
 Modo de batería  | 
 90%  | 
 90%  | 
 91%  | 
 93%  | 
 93%  | 
||||
| 
 Batería y cargador  | 
|||||||||
| 
 Tipo y números de batería  | 
 12VDC x 32 pcs (29 ~ 32 pcs ajustable)  | 
||||||||
| 
 Voltaje Nominal de la batería  | 
 384 VDC (basado en baterías de 32 piezas)  | 
||||||||
| 
 Método de carga  | 
 CC/CV  | 
||||||||
| 
 Corriente de carga  | 
 Por defecto 10A, Max. = Capacidad/voltaje de la batería, Max. 40A  | 
||||||||
| 
 Voltaje de carga  | 
 432 VDC (basado en baterías de 32 piezas)  | 
||||||||